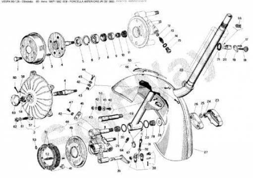
CLICCA SULL IMMAGINE PER CERCARE PARTI DI RICAMBIO

€ 0,00
  • Disponibilità 0 pezzi
  • Marca:
  • Condizione: Nuovo
  • Costo di Spedizione da Spedizione Gratuita
  • Codice: 890819
  • Condividi su

 

 

BENENUTI DA MOTORICAMBIONLINE:

CONCESSIONARIO UFFICIALE PIAGGIO VESPA

L UNICO NEGOZIO ON-LINE CHE HA CATALOGHI FIGURATI PER  EFFETTURE UNA RICERCA SICURA, FACILE, PICEVOLE E  VELOCE DEI RICAMBI ORIGINALI, CON PIU DI 200.000 PRODOTTI SUL WEB

Per aquistare i ricambi che occorrono o per avere un preventivo procedre cosi :

copia la  figura del catalogo e salvarla sul desktop,

scegliere i ricambi che servono in figura,

in prossimita del ricambio scelto c e un numero identificativo (1,2,3,4,5,6,7,ecc,,)

segnalarci il numero di riferimento in figura corrispondente al ricambio richiesto,

 

 

inviarci una mail del fail salvato con relativo numero corrspondente del ricambio scelto,

per ulteriore conferma segnalaci il modello del scooter o moto per la quale si cerano i ricambi

(cilindrata, anno e modello importante)

a      info@cdkmotors.com

entro 24 ore sarete ricontattati con preventivo e disponibilita ...

"lasciate un vostro recapito telefonico"

mentre se avete gia il codice di ricambio originale inseritelo nella sezione cerca in alto e poi clicca sul carrelo

tutti i codici di ricambi originali PIAGGIO  VESPA sono presenti sul nostro sito

 

 (se hai il numero di telaio e meglio comunicacelo che verificheremo noi il colore esatto del veicolo con i nostri contatti per noneffettuare acquisti errati).