Paraolio Guidavalvola Per Aprilia Codice AP0230510

  • Disponibilità 0 pezzi
  • Marca: Ricambi Original Aprilia Piaggio
  • Condizione:
  • Costo di Spedizione da €7.00
  • Codice:
  • Condividi su

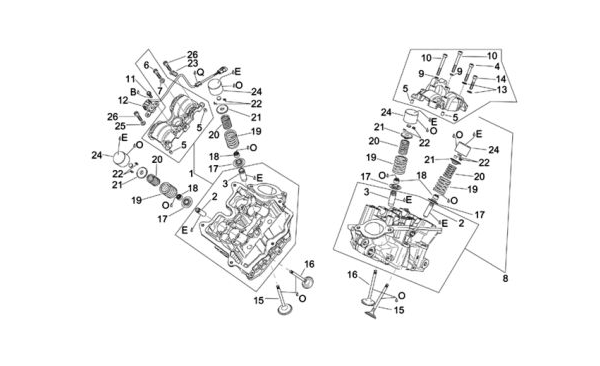
(PARTICOLARE NUMERO 18 DELLA FIGURA DELLO SCHEMA)

Aprilia

Applicazioni Codice : AP0230510
Descrizione Cilind Anno Telaio/VDS
TUONO R-FACTORY 1000 2006-2009 RRL00
SL FALCO 1000 2000-2003 PA00
RSV 1000 1998-1999 ME00
RSV, RSV R 1000 2003-2003 RP12
RSV, RSV R 1000 2001-2002 RP00/RPA0
RSV, RSV R 1000 2000-2000 ME00
RSV R TUONO 1000 2002-2005 RPB00/RPB06/RPB09
RSV R - FACTORY - DREAM 1000 2004-2008 RR00/RRK0
RST FUTURA 1000 2001-2003 PW003
PEGASO IE 650 2001-2004 RW000/RWA00/RWB00
PEGASO 650 1992-1996 GA
PEGASO 3 650 1997-2000 ML00
MOTO' 6.5 650 1995-1999 MH00
ETV CAPO NORD ABS 1000 2004-2007 PS004
ETV CAPO NORD - RALLY 1000 2001-2003 PS00/PSB0